S
Helper
F-7
TMCC
Compatible
Conversion
Using
the
Electric
RR
Co's
Mini
Commander
and
Sound
Commander

S
Helper
Services
F7
Click
on
images
for
larger
image
![]() |
With this conversion I wanted to keep the loco's original factory wiring etc. and make it a plug in adaptation. The only thing to do was to replace the factory plug in board with my adapter interface board and tape the new TMCC compatible boards down. |
| In
a
previous
conversion
the
SHS
F3
A
and
B
units
had
the
sound
unit
in
the
B
unit. With this conversion I need sound unit in the A unit. Space was a concern because of the crew's cab but it fit with some careful planning and a bit of luck . |
![]() |
![]() |
The plug in interface board is key to the ease of the conversion. It was made with a piece of vector board and a mating header connector. The board has the motor rectifiers, dropping resistors for the bulbs to keep them cool and a rectifier for the classification LEDs. |
| Careful
placement
and
orientation
of
the
boards
was
need
to
clear
the
shell.
The
boards
are
held
in
place
with
double
sided
foam
tape. The Sounds include Prime Mover stepped with the throttle, Air Brake pop offs, Horn and Bell |
![]() |
![]() |
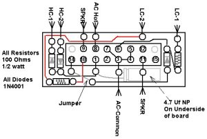
This
is
the
layout
of
the
interface
board.
Note
the
filter
capacitor
is
on
the
bottom
side
of
the
board.
Program to engine type 5 and Aux1-8&9 (LC-2)
will control the mars head light. |
![]() |
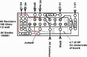
This is version is for single
headlight locos.
Program to engine type 6 and Aux1-8&9 (LC-2) will control the number board lights. |
|
TMCC Compatible conversion of SHS's F3 uses the Electric RR Co's Mini Commander and Sound Commander boards. These are the only TMCC compatible systems that will fit. These Mini Commanders have a my custom version of firmware to allow engine functionality. It was set to an engine type 5 so the mars light flashes |
The wiring diagram shows the interface board header pin numbers. |